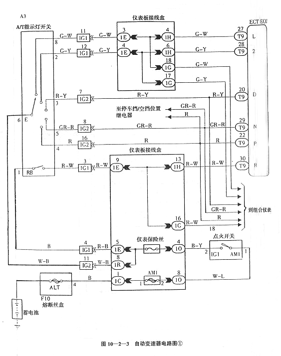
威驰自动变速器电路图墨西哥当地时间•2022-8-1•技术•阅读79 图10-2-3 自动变速器电路图 图10-2-4 自动变速器电路图2 图10-2-5 自动变速器电路图3欢迎分享,转载请注明来源:内存溢出原文地址:https://www.54852.com/dianzi/2419620.html威驰变速器赞 (0)打赏 微信扫一扫 支付宝扫一扫 墨西哥当地时间一级用户组00 生成海报 二冲程船用柴油机供油系统结构示意图上一篇 2022-08-01汽车abs电路图 下一篇2022-08-01 发表评论 请登录后评论... 登录后才能评论 提交评论列表(0条)
评论列表(0条)