
作者:ADI公司 Doug Mercer,顾问研究员;Antoniu Miclaus,系统应用工程师
目标
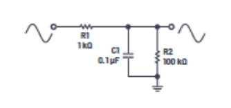
本次实验旨在研究一个使用NPN晶体管的简单差分放大器。首先,我们需要做一些关于硬件限制问题的说明。ADALM2000系统中的波形发生器具有高输出带宽,该高带宽代来了宽带噪声。由于差分放大器的增益,本次实验中测量所需的输入信号电平相当小。如果直接使用波形发生器输出,则其输出的信号信噪比不够高。通过提高信号电平,然后在波形发生器输出和电路输入之间放置衰减器和滤波器(图1),可以改善信噪比。本次实验需要如下材料:
- 两个100 Ω电阻
- 两个1 kΩ电阻
- 两个0.1 μF电容(标记为104)

图1.11:1衰减器和滤波器
本次实验的所有部分都会使用该衰减器和滤波器。
带尾电阻的差分对
材料
ADALM2000主动学习模块
- 无焊面包板
- 跳线
- 两个10 kΩ电阻
- 一个15 kΩ电阻(将10 kΩ电阻和4.7 kΩ电阻串联)
- 两个小信号NPN晶体管(2N3904或SSM2212 NPN匹配对)
说明
面包板连接如图3所示。Q1和Q2应从您可用的且VBE匹配最佳的晶体管中选择。Q1和Q2的发射极与R3的一端连接在一起。R3的另一端连接到Vn (-5V),提供尾电流。Q1的基极连接到第一个任意波形发生器的输出,Q2的基极连接到第二个任意波形发生器的输出。两个集电极负载电阻R1和R2分别连接在Q1和Q2的集电极与正电源Vp (5V)之间。差分示波器输入(2+和2-)用于测量两个10 kΩ负载电阻上的差分输出。

图2.带尾电阻的差分对
硬件设置
第一个波形发生器配置为200 Hz三角波,峰峰值幅度为4 V,偏移为0。第二个波形发生器配置为200 Hz三角波,峰峰值幅度为4 V,偏移为0 V,但相位为180°。电阻分压器将Q1和Q2的基极处的信号幅度降低到略小于200 mV。示波器的通道1中的1+脚连接到第一个波形发生器W1的输出,1-脚连接到W2的输出。通道2连接到图中标注2+和2-的位置,并设置为每格1 V。

图3.带尾电阻的差分对面包板电路
程序步骤
采集如下数据:x轴是任意波形发生器的输出,y轴是使用2+和2-输入的示波器通道2。通过改变R3的值,探索尾电流电平对电路增益的影响(观察通过原点的直线的斜率)和对线性输入范围的影响,以及当电路饱和时,观察增益非线性下降的形状。然后在基本电路上增加点小元件,例如发射极退化电阻,探索扩展和线性化输入摆幅范围的技术及其对电路增益的影响。
配置示波器以捕获所测量的两个信号的多个周期。xy图示例如图4所示。

图4.带尾电阻的差分对xy图
电流源用作尾电流
使用简单电阻作为尾电流具有局限性。应探索构建电流源来偏置差分对的方法。这可以由几个额外的晶体管和电阻构成,如之前的ADALM2000实验“稳定电流源”所示。
附加材料
两个小信号NPN晶体管(Q3、Q4 = 2N3904或SSM2212)
说明
面包板连接如图6所示。

图5.带尾电流源的差分对
硬件设置
第一个波形发生器配置为200 Hz三角波,峰峰值幅度为4 V,偏移为0。第二个波形发生器也应配置为200 Hz三角波,峰峰值幅度为4 V,偏移为0 V,但相位为180°。电阻分压器将Q1和Q2的基极处的信号幅度降低到略小于200 mV。示波器的通道1的1+脚连接到第一个波形发生器W1的输出,1-脚连接到W2的输出。通道2连接到标注2+和2-的位置,并设置为每格1 V。

图6.带尾电流源的差分对面包板电路
程序步骤
配置示波器以捕获所测量的两个信号的多个周期。xy图示例如图7所示。

图7.带尾电流源的差分对xy图
Measuring Common-Mode Gain
测量共模增益

图8.共模增益配置
共模抑制是差分放大器的一个关键方面。CMR可以通过将两个晶体管Q1和Q2的基极连接到同一输入源来测量。图10中的曲线显示了当W1的共模电压从+2.9 V扫描至-4.5 V时,电阻偏置差分对和电流源偏置差分对的差分输出。输入上的最大正摆幅以晶体管的基极电压超过集电极电压和晶体管饱和电压的点为限。这可以通过观察晶体管的集电极电压相对于地为单端(即将2-示波器输入接地)来检查。
硬件设置
波形发生器配置为100 Hz正弦波,峰峰值幅度为8 V,偏移为0。示波器的通道1的1+连接到第一个波形发生器W1的输出,1-连接到地。通道2连接到标注2+和2-的位置,并设置为每格1 V。

图9.共模增益面包板电路
程序步骤
配置示波器以捕获所测量的两个信号的多个周期。产生的波形如图10所示。

图10.共模增益波形
问题:
对于图8中的电路,如果将晶体管Q1的基极视为输入,该晶体管放大器对于输出2+和2-而言是反相还是同相?
对于同一电路,说明当输入电压(W1)增加时,每个输出电压(2+和2-)会发生什么。另外请说明,当输入电压减小时会发生什么。
您可以在学子专区博客上找到问题答案。
作者简介
Doug Mercer于1977年毕业于伦斯勒理工学院(RPI),获电子工程学士学位。自1977年加入ADI公司以来,他直接或间接贡献了30多款数据转换器产品,并拥有13项专利。他于1995年被任命为ADI研究员。2009年,他从全职工作转型,并继续以名誉研究员身份担任ADI顾问,为“主动学习计划”撰稿。2016年,他被任命为RPI ECSE系的驻校工程师。联系方式:doug.mercer@analog.com。
Antoniu Miclaus现为ADI公司的系统应用工程师,从事ADI教学项目工作,同时为Circuits from the Lab®、QA自动化和流程管理开发嵌入式软件。他于2017年2月在罗马尼亚克卢日-纳波卡加盟ADI公司。他目前是贝碧思鲍耶大学软件工程硕士项目的理学硕士生,拥有克卢日-纳波卡科技大学电子与电信工程学士学位。
欢迎分享,转载请注明来源:内存溢出
微信扫一扫
支付宝扫一扫
评论列表(0条)