
过去几年来,ADSL标准沿着ADSL、ADSL2、ADSL2+以及“Extended Reach ADSL2”逐步演进,数据传输率增加到24Mbps,传输距离长达22000英尺。ADSL2标准规定的下行频段上至1.1MHz,而ADSL2+为2.2MHz,使较短电话线上的数据传输率显著提升。图1和图2给出了不同标准所覆盖的带宽、数据速率和距离。当同一线束中传输多条ADSL业务时,ADSL2+也可用于降低串扰。

图1. ADSL2和ADSL2+用于传输数据的带宽

图2. ADSL, ADSL2和ADSL2+的数据速率和传输距离
如图1中所示,上行方向使用的频段为25kHz到138kHz,下行方向为138kHz到2.2MHz。这一频谱被分割成几个载波频带,每个频带分配了一定的比特量。每个载波频带的比特量取决于信噪比(SNR)。
电源的开关频率对噪声基底有较大的影响,从而降低总比特率。在下行频带延伸至2.2MHz的ADSL2+中,我们需要控制所有电源的开关频率及其谐波,使其避开138kHz到2.2MHz频带。纹波的幅度和频率会同样地影响每个载波波段所能承载的比特量。2.2MHz的电源开关频率有两个优点。首先,它的基波和谐波都在ADSL2+频谱之上,第二,较高的开关频率降低了输出纹波的峰-峰值,即便使用低成本的陶瓷电容或铝电解电容也没有问题。 MAX5072针对ADSL2+的电源管理解决方案MAX5072专门设计用于ADSL2+调制解调器的电源管理。其目标是提供一个简洁、低成本的变换器,运行在ADSL2+频带之上,并能通过廉价的AC适配器来供电。它是一个双输出型DC-DC变换器,内部集成了高端N沟道功率MOSFET,每个变换器能工作在2.2MHz。

点击看大图
图3. MAX5072双输出型降压变换器的开关频率在ADSL2+频带之上。2.2MHz的开关频率和高集成度为各类DSL应用(ADSL/VDSL)提供了一个嘴低成本、最高带宽的方案。

点击看大图
图4. MAX5072双输出型降压和升压变换器的输出电压在输入电压范围的中间。降压变换器1的输出为变换器2 (升压)供电。3.3V为芯片组提供电源,12V为线驱动器提供电源。
虽然单个变换器的输出纹波频率为2.2MHz,但每个变换器处于180°反相工作状态,使输入电容上的纹波频率加倍。这样一来减小了电容RMS电流和电容尺寸。图5和图6给出了双路输出DC-DC变换器的开关波形。

图5. 双路降压型变换器的开关波形―输入纹波。单个变换器的开关频率为2.2MHz,但输入电容上的纹波频率为4.4MHz。
CH1 = SOURCE2, CH2 = SOURCE1, CH3 = 输入电容上的纹波, CH4 = CLKOUT

图6. 双降压型变换器的开关波形――输出纹波。输出电容上的纹波频率为2.2MHz,与变换器的开关频率相同。CH1 = SYNC, CH2 = SOURCE1, CH3 = 输出1上的纹波, CH4 = CLKOUT 输入/输出电压MAX5072的输入电压范围为4.5V至5.5V或5.5V至23V。用于为ADSL芯片组供电的电压包括1.2V, 1.8V, 2.5V和3.3V, 另外还有为线驱动器供电的5V或12V电压。MAX5072的两个变换器都可以配置成降压或升压变换器。这使MAX5072能够用于各种可能的电压变换。可利用表1来选择合适的电源管理方案。
表1. 电压变换方案
(VOUT1 /IOUT1) Converter-2
(VOUT2 /IOUT2)
(Converter-1 buck, Converter-2 boost) 4.5 to 5.5 (5V system input) 3.3V up to 1A 5V up to 0.4A (VOUT1 Feeds Converter-2)
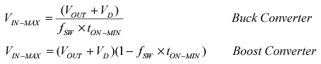
当输入输出压差较大时,要求电路以非常低的占空比运行。2.2MHz开关频率下的低占空比意味着非常短的最小可控导通时间。MAX5072的最小可控导通时间(tON-MIN)约为100ns。用下面的公式可计算出对于给定的输出电压,在没有发生跳脉冲的情况下所允许的最大输入电压(VIN-MAX)。

其中VD是肖特基整流管的正向压降(典型0.35V值),fSW为变换器的开关频率, tON-MIN为100ns。
同样,最大占空比限制(DMAX)影响着对于给定的输出电压,所允许的最小输入电压。用下面的公式可计算出为了获得要求的输出电压VOUT,降压转换器所需的最小输入电压(VIN-MIN)。

其中,DMAX至少为84%,VD为0.35V。
升压变换器所允许的最小输入电压取决于输出电压、峰值电流和电感值。
为了缓解最小导通时间问题或限制开关损耗,可以降低开关频率。但两个工作在反相状态的变换器频率不可能不同。同时,如果没有精心选择单个变换器的工作频率,将可能出现拍频。为了避免最小导通时间问题和功率消耗问题,MAX5072提供了一个频率选择(FSEL1)管脚。FSEL1接地时变换器1的开关频率减小到变换器2开关频率的一半,或内部振荡器频率的四分之一。在这种情况下,变换器1工作在1.1MHz,变换器2工作在2.2MHz。输入电容上的纹波频率将会是变换器2开关频率的1.5倍,并且纹波波形不对称。 MAX5072为多DSL芯片组提供的功能
- 上电复位(/RESET\)―/RST\是开漏极输出,当任何一路输出电压低于额定稳定电压的92.5%时,它被拉低。若两组输出均已超过其额定稳定电压的92.5%,且两个变换器都已完成软启动过程,/RST\会在延时180ms后进入高阻态。

图7. RESET延时。复位延时在内部设置为140ms固定值。在两路输出均达到稳定并延时140ms之后,RESET变为高电平。
CH1 = VOUT1, CH2 = VOUT2, CH3 = RESET, CH4 = Enable
- 掉电检测(PFI/PFO)―在调制解调器掉电之前,有些重要功能需要进行必要的善后处理。完成这些功能所需的时间称为保持时间。在VIN断开后,输入电容器上存有的电荷为变换器提供能量。保持时间(tHOLD)定义为:从输入电压降至低于VTRIP开始,到输入电压下降到下限(VINMIN),以致输出电压脱离稳压范围之间的时间。用下面的公式可计算出要获得足够的保持时间,所需的电阻分压器和CIN。

其中η1和η2 (典型值80%)分别为变换器1和变换器2的效率。
- 手动复位(/MR\)―基于微处理器的产品通常需要手动复位功能,从而允许 *** 作者或外部逻辑电路对其进行复位。/MR\上的逻辑低电平可触发复位。当/MR\为低时复位信号将保持有效,并在/MR\返回高电平后继续保持一个复位延时时间(tRP)。

图8. 手动复位(/MR\)波形。/MR\内含去抖电路,简化了外部/MR\电路。CH1 = /MR\, CH2 = RESET, CH3 = VOUT1, CH4 = VOUT2
以下是为几种不同的xDSL调制解调器设计的电路。
点击看大图
图9. xDSL电源管理方案。输入: 9V至12V。输出: VOUT1 = 5V/550mA (最大1A), VOUT2 = 1.2V/550mA (最大1A)。输出1为输出2变换器提供电源。每个变换器的开关频率为2.2MHz。

点击看大图
图10. 多DSL (VDSL/ADSL)电源管理。输入:5.5V至7V, 输出: VOUT1 = 1.2V/1.5A, VOUT2 = 1.8V/1A, VOUT3 = 3.3V/1A, VOUT4 = 12.8V/200mA。每个变换器的开关频率为2.2MHz,组合开关频率相当于8.8MHz。开关频率与系统时钟同步。
高频开关电源变换器设计具有其复杂性,要求具备专业知识并需投入一定的设计精力。而使用高频开关带来了带宽的提升。文中给出的设计方案已在工作台上测试通过,可直接使用或作为一项新设计的基础。
欢迎分享,转载请注明来源:内存溢出
微信扫一扫
支付宝扫一扫
评论列表(0条)