
频率响应简称频响,英文名称是Frequency Response,在电子学上用来描述一台仪器对于不同频率的信号的处理能力的差异。同失真一样,这也是一个非常重要的参数指标。频响也称响曲线,是指增益随频率的变化曲线。任何音响设备或载体(记录声音信号的物体)都有其频响曲线。理想的频响曲线应当是平直的,声音信号通过后不产生失真。本文介绍二阶系统的频率响应
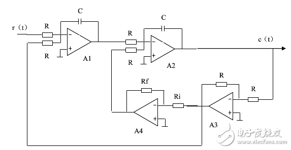
二阶系统方框图



图中

1.在控制系统综合实验台上,用运算放大器、电阻和电容组建典型的二阶系统,并将超低频信号发生器输出的正弦波作为二阶系统的输入信号,信号峰值为1伏;
2.选择R、C、Ri和Rf的值,保持系统的ωn=1和ζ=0.2 不变,改变输入信号的频率,使对应的角频率ω分别等于0、0.2、0.4、0.6、0.8、0.9、1.0、2.0、4.0、6.0、8.0、10,20、40、60、80、100rad/s,并同时记录稳态时系统正弦输入信号和正弦输出信号的电压有效值和相位差;
3.保持系统的ωn=1和ζ==0.7不变,重复步骤2
4.根据实验数据分别绘制两种情况下二阶系统的的Bode 图,并分析阻尼比ζ对系统的谐振峰值、谐振频率、稳定性和稳定裕量的影响。
5.选择R、C、Ri和Rf的值,保持系统的ζ=0.7和ωn =0.1不变,重复步骤2
6.选择R、C、R和Rf的值,保持系统的C=0.7 和con=10 不变,重复步骤2
欢迎分享,转载请注明来源:内存溢出
微信扫一扫
支付宝扫一扫
评论列表(0条)