
单片机技术应用于各行各业,是一种实用的智能型控制技术,单片机技术的发展极大地推动了电子、通信、计算机、机电一体化等行业的快速发展,成为当前教学和科研的热门技术。本文详细介绍一种新型的单片机仿真软件Proteus,利用它可以实现单片机教学中很多面向端口、外围设备扩展控制型实验的仿真,提高教学效果,进一步缩短教学与工程实际的距离。
1Proteus简介ProteusISIS是英国Lacenterelec-tronics公司开发的电路分析与实物仿真软件,应用范围十分广泛,涉及PCB制版、Spice电路仿真、单片机仿真以及对ARM7/LPC2000的仿真。Proteus主要由ARESISIS两大模块构成,ARES主要用于印刷电路板(PCB)的设计及其电路仿真,ISIS主要用于原理图的设计并仿真。它运行于Windows *** 作系统上,可以仿真、分析(SPICE)各种模拟器件和集成电路,该软件的特点是:①实现了单片机仿真和SPICE电路仿真相结合。具有模拟电路仿真、数字电路仿真、单片机及其外围电路组成的系统的仿真;有各种虚拟仪器,如示波器、逻辑分析仪、信号发生器等。②支持主流单片机系统的仿真。目前支持的单片机类型有:68000系列、8051系列、AVR系列、ARM系列、PIC12系列、PIC16系列、PIC18系列、Z80系列、HC11系列以及各种外围芯片。③提供软件调试功能。该软件仿真系统中具有全速、单步、设置断点等调试功能,同时可以观察各个变量、寄存器等的当前状态;同时支持第三方的软件编译和调试环境,如KeilC51uVision2等软件。④具有强大的原理图绘制功能。总之,该软件是一款集单片机和SPICE分析于一身的仿真软件,功能极其强大。
下面以单片机实时时钟电路为例,介绍使用Proteus进行单片机实时时钟电路设计与仿真的过程。
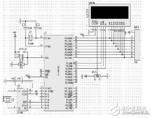
2硬件电路图的设计该实时时钟电路的硬件主要由AT89C51单片机、时钟芯片DS1302、数码管显示驱动芯片MAX7219等元器件组成。实时时钟电原理图如图1所示。
运行ProteusISIS后出现程序主窗口界面,鼠标左键单击窗口左侧的元器件工具栏的Component按钮,接着再点击窗口左侧的元器件选择区的PickDivices.按钮,d出的PickDevices窗口,再在Category栏里点击MicroprocessorICs项后,在Results栏里会出现各种类型的CPU器件,找到AT89C51后双击,AT89C51就被添加到当前窗口左侧的元器件列表区了。用同样的方法依次把DS1302、MAX7219、数码管、晶振以及多个电阻、电容也添加到器件列表区里。然后再依次点击列表区里的器件,单击左键把他们放到绘图区,右键选中元件,并编辑其属性,合理布局后,进行连线。所有导线画完后,添加上电源和接地符号,原理图的绘制就完成了,保存设计文件于C:\ProgramFile\LacenterElectronics\Proteus7Professional\clock文件夹,文件名为clock.DSN。
3软件设计与实现本实时时钟电路的软件的主要功能包括时钟芯片DS1302的设置和时间的读取,数码管显示驱动芯片MAX7219驱动时间显示等。软件采用汇编语言编写,在WAVE3.2集成调试软件中编辑完成后,以文件名DS1302.asm存盘并编译生成16进制目标文件DS1302.hex。同样保存到C:\ProgramFile\LacenterElectronics\Proteus7Professional\clock文件夹中。
4系统的仿真分析电路原理图在ISIS里设计完成,并将系统软件编译成.hex文件后,下面就可以进行实时时钟电路的虚拟仿真了。在ISIS的原理图中,右键单击AT89C51将其选中,然后单击左键打开AT89C51的EditComponent对话框,在ProgramFile选项中选择文件DS1302.hex,单击OK按钮完成仿真设置。点击ISIS下方仿真按钮的运行按钮,系统开始运行,实时显示当前时间。

通过本文的Proteus软件实现单片机实时时钟电路仿真设计的实例,可以得出将Proteus软件引入单片机课程中进行辅助教学,是教学方法的一种改革,是虚拟仿真技术和计算机多媒体技术相结合的综合运用,有利于促进课程和教学改革,更有利于培养学生的创新素质和创造能力;同时Proteus不断完善的功能和强大的仿真能力被越来越多的设计人员所喜爱,生电子设计竞赛活动中也逐步得到了推广。
欢迎分享,转载请注明来源:内存溢出
微信扫一扫
支付宝扫一扫
评论列表(0条)