
STM32F103C8T6是一款集成电路,芯体尺寸为32位,程序存储器容量是64KB,需要电压2V~3.6V,工作温度为-40°C ~ 85°C。
下面介绍一下STM32F103C8T6的封装及最小系统原理图。
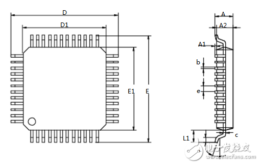
STM32F103C8T6封装STM32F103C8T6封装为LQFP48-48引脚小外形四方扁平封装外形,如下图:


单片机的最小系统版的功能都差不多,主要有一下几个方面:
MCU:

电源稳压电路:
用于供电,一般用电脑的USB口供电。

电源滤波电路:

BOOT选择:
在芯片复位时的电平状态决定了芯片复位后从哪个区域开始执行程序。
BOOT1=x BOOT0=0 从用户闪存启动,这是正常的工作模式。
BOOT1=0 BOOT0=1 从系统存储器启动,这种模式启动的程序功能由厂家设置。
BOOT1=1 BOOT0=1 从内置SRAM启动,这种模式可以用于调试。

指示灯电路:

JLINK接口电路:
烧制程序的口,用于调试烧写仿真程序。

晶振电路:
用于计时,与两个电容并联使用,电容大小由你的晶振决定,一般用22pF。

复位电路:
用于复位。

扩展接口电路:

USB接口电路:

欢迎分享,转载请注明来源:内存溢出
微信扫一扫
支付宝扫一扫
评论列表(0条)