
感应加热技术具有加热温度高、加热效率高、速度快、加热温度容易控制、易于实现机械化、自动化、无空气污染等优点,现在感应加热电源已广泛用于金属熔炼、透热、热处理和焊接等工业过程。
根据功率调节量的不同感应加热电源有多种调功方式,调频调功是通过改变逆变器工作频率从而改变负载输出阻抗以达到调节输出功率的目的。这种调功方式控制比较简单,可以对电路的工作频率进行直接控制,而且能对功率连续调整。本文正是基于调频调功这种方式,由PWM控制芯片SG3525控制实现的加热电源。
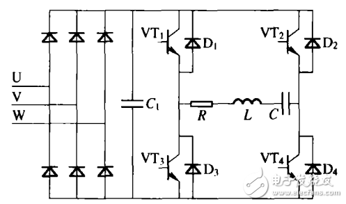
2.主电路拓扑结构和控制原理 2.1.主电路结构

图1 主电路结构图
2.2.控制原理调频控制的原理就是:通过改变逆变器开关频率来改变输出阻抗以达到调节输出功率的目的。串联谐振等效电路图如图2所示。

图2 负载等效电路图
负载等效阻抗为
Z=1/jωC+jωL+R;
则

欢迎分享,转载请注明来源:内存溢出
微信扫一扫
支付宝扫一扫
评论列表(0条)