
在直流升压电路的设计中,Boost升压电路结构简单,可将不可控的直流输入变为可控的直流输出,广泛应用于可调整直流开关电源和直流电机驱动。Boost电路只有一个开关管,克服了传统串联型稳压电源能耗大、体积大的缺点,具有体积小、结构简单、变换效率高,不存在桥式电路共态导通等优点。
本文采用Boost斩波电路为直流升压电路的主电路,并以SG3525为控制核心设计了控制电路,其中包括完善的保护电路,以期当输入电压为DC78~117V时,输出可基本稳定在DC650V。仿真实验证明,本文的设计方法正确,电路简单实用,能较好的达到预定目的。
2、设计方案系统设计框图如图1所示,额定输入为96V,目的是升压至DC540V后输出。

图1 系统设计框图
输出电压经采样及信号调理以后,送至SG3525的1脚,1脚为误差放大器反向输入端,将反馈信号接到该引脚形成闭环控制。将SG3525产生的PWM波经由隔离驱动电路后驱动Boost斩波电路中的开关器件IGBT,将直流输入电压升压至设定值输出。
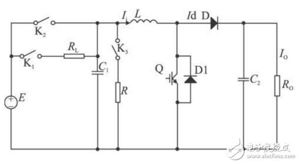
3、硬件设计 3.1、主电路的设计本系统主电路设计如图2所示。

图2 升压主电路
欢迎分享,转载请注明来源:内存溢出
微信扫一扫
支付宝扫一扫
评论列表(0条)