
基于SG3525电压调节芯片的PWM Buck三电平变换器
摘要:阐述了用SG3525电压调节芯片实现PWM Buck三电平变换器的交错控制。相对于采用分立元件实现PWM Buck三电平变换器的交错控制而言,该控制方法电路简单,易于实现,可以较好地解决三电平波形的不对称问题。详细介绍了SG3525电压调节芯片,并给出了基于SG3525电压调节芯片的PWM Buck三电平变换器的具体设计方法。最后对输入电压为120V(90~180V),输出为48V/4A,开关频率50kHz的PWM Buck三电平变换器进行了实验验证。
关键词:PWM Buck三电平变换器;SG3525电压调节芯片;分立元件
0 引言
三电平变换器有下列优点:
——开关管的电压应力为输入电压的一半;
——可以大大减小储能元件的大小;
——续流二极管的电压应力为输入电压的一半。
因此,三电平变换器非常适用于高输入电压中大功率的应用场合。文献[1]详细分析了隔离与非隔离的三电平变换器的拓扑结构。
由于三电平变换器的开关数目多,对其实施有效的控制比较复杂。传统上,采用比较器、运算放大器和RS触发器等分立元件实现PWM三电平变换器的控制。但是,由于实现上述控制所需的分立元件众多,两个锯齿波不可能做到完全匹配,同时两个开关管的驱动电路也不可能完全相同,因此,两个开关管的占空比必然存在一定的差异,隔直电容Cb在一个周期内所提供的能量不可能相等,造成了三电平波形不对称。
本文采用电压调节芯片SG3525来实现PWM Buck三电平变换器的控制,可以大大减小由分立元件实现时所带来的三电平波形不对称的问题,实现方法简单有效。
1 Buck三电平变换器
1.1 三电平两种开关单元
(a)三电平阳极单元 (b)三电平阴极单元
图1 两种三电平开关单元
1.2 Buck三电平变换器
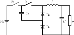
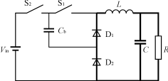
为了确保两只开关管的电压应力相等,三电平变换器一般由上述两种开关单元共同组成。文献[2]所分析的半桥式三电平变换器的推导思路,可以推广到所有的直流变换器中,由此提出了一族三电平变换器拓扑。图2为Buck三电平变换器主电路拓扑及其4个工作模态。
模态1 如图2(a)所示。在t=0时刻,触发开关管S2,使S2导通,二极管D2则反偏截止,电压源Vin通过隔直电容Cb给电感L充电。
模态2 如图2(b)所示。在t=t1时刻,关断S2,则D2导通,电路由D1及D2续流,电感L放电。
模态3 如图2(c)所示。直至t=t2时刻,控制电路使S1导通,二极管D1则反偏截止,隔直电容Cb向电感L放电。
模态4 如图2(d)所示。当t=t3时刻,关断S1,则D1导通,电路由D1及D2续流,电感L放电,与模态2的工作过程类似。

(a)模态1
(b)模态2

(c)模态3

(d)模态4
图2 Buck三电平变换器
2 基于SG3525的PWM Buck三电平变换器
2.1 电压调节芯片SG3525
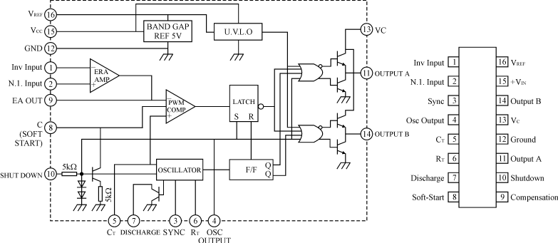
电压调节芯片SG3525是一种性能优良,功能全面及通用性强的集成PWM电压控制芯片。它具有振荡器外同步,内置基准电压源,死区调节,PWM锁存器以及输出级的最佳设计等特点。
SG3525为16脚芯片,具体的内部结构和封装如图3所示。其中,脚16为SG3525的基准电压源输出,精度可以达到(5.1±1%)V,采用了温度补偿,而且设有过流保护电路。脚5,脚6,脚7内有一个双门限比较器,内电容充放电电路,加上外接的电阻电容电路共同构成SG3525的振荡器。振荡器还设有外同步输入端(脚3)。脚1及脚2分别为芯片内误差放大器的反相输入端、同相输入端。该放大器是一个两级差分放大器,直流开环增益为70dB左右。根据系统的动态、静态特性要求,在误差放大器的输出脚9和脚1之间一般要添加适当的反馈补偿网络。
(a)内部结构图(b)封装图
图3SG3525的内部结构图和封装图
由于SG3525能输出两路占空比相等,且相位相差180°的驱动信号,所以适合于用来实现对非隔离型PWM三电平变换器的控制。
有一点需要注意的是,SG3525只能输出占空比<50%的驱动信号,所以只能实现非隔离型三电平变换器的占空比<50%的工作情况。至于要实现变换器的占空比>50%的工作要求,则不能将SG3525的输出直接驱动开关管,而必须附加一些环节,对此本文不加赘述。
2.2 驱动电路
为提高电路的效率及功率器件工作的可靠性,一般需要将控制电路的输出信号加以功率放大。本文采用MC34152加隔离变压器驱动的方法来设计驱动电路。
MC34152的外围电路简单,应用方便。它是8管脚的同相推挽驱动芯片,具体的内部结构和封装如图4所示。脚2与脚4为两路控制信号输入,经过芯片内部的推挽放大,直接输出同相的两路驱动信号(脚7及脚5)。为使芯片更加稳定地工作,一般在芯片的电源端并联一个滤去高频干扰的瓷片电容和一个滤去低频干扰的电解电容。

(a)内部结构图
(b)封装图
图4 MC34152内部结构图和封装图
当电路的功率较大及工作频率较高时,一般要将控制电路与主电路隔离。所以,本文采用隔离变压器来实现隔离。MC34152的输出经一隔直电容后直接可以输入到隔离变压器的原边。
本文所设计的驱动电路简单可行,驱动波形比较理想:有快速的上升沿,并有一定的过冲,以加速开通,减小了开通损耗;同时,有反偏截止电压,提供了足够的反相门极驱动,减小了下降时间。
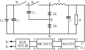
2.3 基于SG3525的PWMBuck三电平变换器
基于SG3525的PWMBuck三电平变换器的系统框图如图5所示。

图5 基于SG3525的PWMBuck三电平变换器
3 实验结果和分析
为验证基于SG3525的PWM Buck三电平变换器的控制可行性,选择合适的器件参数对电路进行了实验验证。输入电压为DC90~180V,输出电压为DC48V,额定输出电流为4A,开关频率为50kHz。
图6所示的即为基于SG3525的PWM Buck三电平变换器的实验波形。
(a)ch1-死区波形;ch2-vgs1;ch3-vgs2
(b)ch4-vcd;ch2-vgs1;ch1-vds1
(c)ch1-vds2;ch2-vgs2;ch3-vab;ch4-vds1
(d)ch1-Io;ch2-Vo
图6 PWM Buck三电平变换器实验结果
从图6中可以看出,采用SG3525来实现PWM Buck三电平变换器的控制是可行的。
图6(a)中,SG3525的两路输出vgs1及vgs2的最大占空比约为48.5%。死区时间可以根据电路需要任意调节。在PWM Buck三电平变换器中,开关频率为50kHz,从图中可以看出驱动信号的频率即为所需。要实现对驱动信号频率的调节也变得非常简单,只需要调节SG3525的振荡器频率即可。
图6(b)中,输入电压Vin为DC120V,恒流电子Io负载为4A。vcd为隔直电容Cb两端的电压波形,其平均值为Vin/2,即为输入电压的一半。实验中,vcd的波形有微小的尖峰。这是由开关管S2的开通和关断所引起的。vgs1为开关管S1的驱动波形。vds1为开关管S1工作时的漏源极电压波形,开通及关断时刻没有大的尖峰,对开关管而言是比较理想的波形。
图6(c)中,输入电压Vin为DC 120V,恒流电子负载Io为4A。由vds1和vds2的波形可以明显看出两个开关管的工作情况:开关管S1和S2互补导通,而且有共同关断的时段,此间由二极管D1和D2续流,很好地验证了本文中所分析的4个模态的工作情况。vgs2即为开关管S2的驱动波形。vab为三电平波形,可见其频率为开关频率的2倍。从而大大减小了滤波元件的大小。文献[3][4]详细分析了一类零电压零电流开关复合式全桥三电平DC/DC变换器,该变换器的输出整流电压高频交流分量很小,可以减小输出滤波器,改善变换器的动态性能;同时其输入电流脉动很小,可以减小输入滤波器。文献[1]详细论述了Buck三电平变换器和传统的Buck变换器中滤波器的参数设计的分析和比较。
图6(d)中,输入电压为DC 120V。图中示意了恒流电子负载Io从2A跳变到4A时,输出电压Vo的瞬态响应曲线。可以看出该PWM Buck三电平变换器电路的抗负载扰动能力比较强,可以较快地稳定在额定输出的电压值Vo=48V上。
4 结语
本文首先简要论述了三电平变换器拓扑的推导过程;接着介绍了Buck三电平变换器的主电路拓扑及其在占空比小于50%时的4个工作模态。详细分析了如何基于电压调节芯片SG3525来实现PWM Buck三电平变换器的控制。最后用实验证明了基于SG3525来实现对PWM Buck三电平变换器的控制是行之有效的,可以大大减小由分立元件实现所带来的三电平波形不对称的问题,方法简单。同样,基于SG3525的电压控制方法可以推广到其它非隔离型的PWM三电平变换器中。
欢迎分享,转载请注明来源:内存溢出
微信扫一扫
支付宝扫一扫
评论列表(0条)